产品目录
大香蕉啪啪啪
液体流量计
香蕉视频APP下载网站
油流量计
香蕉视频三级
椭圆齿轮流量计
电磁流量计
涡街流量计
蒸汽流量计
孔板流量计
旋进旋涡流量计
热式气体质量流量计
转子流量计
浮子流量计
靶式流量计
气体流量计
超声波流量计
磁翻板液位计
浮子液位计
浮球液位计
玻璃管液位计
雷达液位计
超声波液位计
投入式液位计
压力变送器
差压变送器
液位变送器
温度变送器
热电偶
热电阻
双金属温度计
推荐产品
联系91香蕉在线视频
- 金湖91香蕉在线视频仪表有限公司
- 联系电话:15195518515
- 在线客服:1464856260
- 电话:0517-86801009
- 传真号码:0517-86801007
- 邮箱:1464856260@qq.com
- 网址:http://www.lafattehome.com
- 地址:江苏省金湖县理士大道61号
地下香蕉视频APP下载网站
- 品*:JKM/91香蕉在线视频仪表
- 型号:JKM-LDE
- 测量范围:0.028~205258m³/h
- 精度等级:0.5级、1.0级
- 公称通径:DN10~DN2200
- 适用介质:污水、导电液体
- 工作压力:1.6~6.3MPa
- 工作温度:-20~+200℃
- 供电方式:220V 24V 锂电池
- 订货号:IZTLBFWJL784
地下香蕉视频APP下载网站产品概述
电磁流量计由传感器和转换器两部分构成。它是基于法拉*电磁感应定律工作的,用来测量电导率大于5μS/cm导电液体的体积流量,是一种测量导电介质体积流量的感应式仪表。除可测量一般导电液体的体积流量外,还可用于测量强酸强碱等强腐蚀液体和泥浆、矿浆、纸浆等均匀的液固两相悬浮液体的体积流量。由于电磁流量计的优点诸多,因此被广泛应用于石油、化工、化纤、冶金、轻纺、造纸、制糖、给排水、环保、食品等工业部门及市政管理,水利建设、河流疏浚等领域的流量计量。
地下香蕉视频APP下载网站产品特点
1.独立性强,测量不受液体密度、粘度、温度压力和电导率等物理量变化的影响。
2.结构简单,故障率低,测量管内无活动及阻流部件,不堵塞、无压损。
3.适用范围广,量程比宽,适合导电液体,含有纤维、固体颗粒和悬浮物的液体。
4.安装要求低,直管段要求低(前 5D 后 2D)。
5.工作稳定可靠,采用低频方波励磁,功耗小,零点稳定。
6.输出信号多样性,可输出与流速成正比例的线性模拟信号、数字信号及报警信号。

地下香蕉视频APP下载网站工作原理
流量计测量原理是基于法拉*电磁感应规律。流量计的测量管是一内衬绝缘材料的非导磁合金短管。两只电*沿管径方向穿通管壁固定在测量管上。其电*头于衬里内表面基本齐平。励磁线圈由双向方波脉冲励磁时,将在与测量管轴线垂直的方向上产生一磁通量密度为 B 的工作磁场。此时,如果具有一定电导率的流体流经测量管,将切割磁力线感应出电动势 E。电动势 E 正比于磁通量密度 B,测量管内径 d 与平均流速 V的乘积、电动势 E(流量信号)由电*检出并通过电缆送至转换器。转换器将流量信号放大处理后,可显示流体流量,并能输出脉冲,模拟电流信号,用于流量的测量和控制。

式中:
E---------为电*间的信号电压(v)
B---------磁通密度(T)
d---------测量管内径(m)
V--------平均流速(m/s)
K---------常数
由于 K 为常数,励磁电流是恒流的,故 B 也是常数,则由(1-1)式可知,体积流量 Q 与信号电压 E 成正比,即流速感应的信号电压 E 与体积流量 Q 成线性关系。因此,只要测量出 E 就可确定流量 Q,这就是电磁流量计的基本工作原理。
由(1-1)式可知,被测流体介质的温度、密度、压力、导电率、液固两相流体介质的液固成分比等参数不会影响测量结果。至于流动状态只要符合轴对称流动(如层流或紊流)就不会影响测量结果的。因此说电磁流量计是一种真正的体积流量计。

地下香蕉视频APP下载网站执行标准及技术参数
1 产品执行标准
产品性能符合电磁流量计行业标准 JB/T9248-2008 及 JJG1033-2007 要求。
2 主要技术指标

地下香蕉视频APP下载网站仪表选型
仪表的选型是仪表应用中非常重要的工作,据有关资料统计,仪表在实际应用中有 2/3 的故障是仪表的错误选型和错误安装造成的,请特别注意。具体注意事项如下:
1.被测流体名称和其化学性能。
2.*大流量、*小流量和常用流量。推荐:常用流量应选择在 1~3m/s 流速段内,如果不符,请用户调整所选仪表的口径规格。
3.*高工作压力。
4.*高工作温度、*低工作温度。
5.被测流体必须具备一定的导电性,导电率≥5μs/cm。
6.*大流量和*小流量必须符合表 2-1 的数据。
7.实际*高工作压力必须小于流量计的额定工作压力(见传感器铭*)。
8.*高工作温度和*低工作温度必须符合流量计规定的温度要求(见传感器铭*)。
9.确定是否有负压情况存在。
10.电*和衬里材料的选择应满足流体介质的化学性能。

地下香蕉视频APP下载网站公称通径与流量范围

地下香蕉视频APP下载网站衬里的选择
1、衬里材料:聚四氟乙烯(F4)
主要性能:是化学性能*稳定的一种塑料,能耐沸腾的盐酸、硫酸、硝酸和王水,也能耐浓碱和各种有机溶剂。不耐高温高流速液氟、液氧、自氧的腐蚀。
*高介质温度一体型:70℃
*高介质温度分离型:100℃ 150℃ (需特殊订货)
适用范围:1、浓酸、碱等强腐蚀性介质。 2、卫生类介质。
2、衬里材料:聚全氟乙丙烯(F46)
主要性能:同F4,耐磨性、抗负压能力高于F4。
*高介质温度一体型:70℃
*高介质温度分离型:100℃ 150℃ (需特殊订货)
适用范围:除砂浆等强磨损性介质外的所有流体。与PTFE一样,能用于饮料等有卫生要求的介质。
3、衬里材料:聚氟合乙烯(Fs)
主要性能:适用温度上限较聚四氟乙烯低,但成本也较低。
*高介质温度一体型:70℃
*高介质温度分离型:80℃
4、衬里材料:聚氯丁橡胶
主要性能:1、有*好的弹性,高度的扯断力,耐磨性能好。2、耐一般低浓度酸、碱、盐介质的腐蚀,不耐氧化介质的腐蚀。
*高介质温度一体型:70℃
*高介质温度分离型:80℃ 120℃ (需特殊订货)
适用范围:水、污水、弱磨损性的泥浆矿浆。
5、衬里材料:聚氨酯橡胶
主要性能:1、耐磨性能*强。2、耐腐蚀性能较差。
*高介质温度一体型:70℃
*高介质温度分离型:80℃
适用范围:中性强磨损的矿浆、煤浆、泥浆。
地下香蕉视频APP下载网站电*的选择
1、电*材料:不锈钢0Crl8Nil2M02Ti
耐蚀及耐磨性能:用于工业用水、生活用水、污水等具有弱腐蚀性的介质,适用于石油、化工、钢铁等工业部门及,市政、环保等领域。
2、电*材料:哈氏合金B
耐蚀及耐磨性能:对沸点以下的一切浓度的盐酸有良好的耐蚀性,也耐硫酸、磷酸、氢氟酸、有机酸等非氯化性酸、碱,非氧化性盐液的腐蚀。
3、电*材料:哈氏合金C
耐蚀及耐磨性能:能耐非氧化性酸,如硝酸、混酸、或铬酸与硫酸的混合介质的腐蚀,也耐氧化性盐类如:Fe,Cu下或含其他氧化剂的腐蚀,如高于常温的次氯酸盐溶液、海水的腐蚀。
4、电*材料:钛
耐蚀及耐磨性能:能耐海水、各种氯化物和次氯酸盐、氧化性酸(包括发烟硫酸)、有机酸、碱的腐蚀。不耐较纯的还原性酸(如硫酸、盐酸)的腐蚀,但如酸中含有氧化剂(如硝酸、Fc++、Cu++)时,则腐蚀大为降低。
5、电*材料:钽
耐蚀及耐磨性能:具有优良的耐蚀性和玻璃很相似。除了氢氟酸、发烟硫酸、碱外,几乎能耐一切化学介质(包括沸点的盐酸、硝酸和l 50℃以下的硫酸)的腐蚀。在碱中刁;耐蚀。
6、电*材料:铂/钛合金
耐蚀及耐磨性能:几乎能耐一切化学介质,但不适用于王水和铵盐。
7、电*材料:不锈钢涂覆碳化钨
耐蚀及耐磨性能:用于无腐蚀性,强磨损性的介质。
注: 由于介质种类繁多,其腐蚀性又受温度、浓度、流速等复杂因素影响而变化,故本表仅供参考。用户应根据实际情况自己做出选择,必要时应做拟选材料的耐腐试验,如挂片试验。
地下香蕉视频APP下载网站正确接线
①励磁电缆可选用中型橡套电缆,其长度与信号电缆一样
②信号电缆和其他动力电源电缆必须严格分开,不能敷设在同一根管子内,不能平行敷设,不能绞合在一起,应分别单独穿在钢管内。
③信号电缆和励磁电缆尽可能短,不能将多余的电缆卷在一起,应将多余电缆剪掉,并重新焊接头,电缆进入传感器电气接口时,在端口处做成U型,这样可以防止雨水渗透到传感器中。
④励磁电缆和转换器之间的连接用专用接线完成,转换器和外部的连接同一体型流量计。
接线:
地下香蕉视频APP下载网站正确选择安装位置
正确地选择安装位置和正确安装流量计都是非常重要的环节,若在安装环节失误,轻者影响测量精度,重者会影响流量计的使用寿命,甚至会损坏流量计。选择安装位置时应注意以下问题:
1.测量电*的轴线必须近似于水平方向(与水平线夹角一般为 10°以内)

2.测量管道内必须完全充满液体。
3.流量计的前方*少要有 5×D(D 为流量计内径)长度的直管段,后方*少要有 2×D(D为流量计内径)长度的直管段。

4.流体的流动方向和流量计的箭头方向一致。
5.管道内要有真空会损坏流量计的内衬,需特别注意。
6.在流量计附近应无强电磁场,仪表安装场所的磁场强度应小于 400A/m(避免安装在大型电机或变压器等设备附近)。
7.若测量管道有振动,在流量计的两边应有固定的支座。
8.测量不同介质的混合液时,混合点与流量计之间的距离*少要有 30×D(D 为流量计内径)。
9.为方便今后流量计的清洗和维护,应安装旁通管道。

10.安装聚四氟乙烯内衬的流量计时,连接两法兰的螺栓应注意均匀拧紧,否则容易压坏聚四氟乙烯内衬,*好用力矩扳手。
11.仪表应避免强烈振动和过大的温度变化,同时要防止腐蚀性液体的滴漏对仪表造成损害。
12.如果安装地点易受阳光曝晒,应当增加遮蔽设施。
13.安装传感器时,应保证测量管与工艺管道同轴。对 50mm 及以下公称通径的传感器,其轴线偏离不超过 2mm。DN65~DN150 其轴线偏离不超过 3mm,≥DN200 其轴线偏离不超过 4mm。
14.法兰之间加装的法兰垫圈,应有良好的耐腐蚀性能,该垫圈不得伸入管道内部。
15.紧固仪表螺栓、螺母,其螺纹应完整无损,润滑良好。应依据法兰尺寸、力矩大小采用力矩扳手紧固螺栓。
16.在传感器邻近管道进行焊接或火焰切割时,要采用隔离措施,防止衬里受热,且必须确认仪表未通电运行,防止损坏仪表。
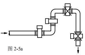
地下香蕉视频APP下载网站安装方式
应安装在水平管道较低处和垂直向上处,避免安装在管道的*高点和垂直向下处。

应安装在管道的上升处。

在开口排放的管道安装,应安装在管道较低处。若管道落差超过 5m,在传感器的下游安装排气阀且传感器的下游应有一定的背压。

应在传感器的下游安装控制阀和切断阀,而不应安装在传感器上游。

传感器绝对不能安装在泵的进口处,应安装在泵的出口处。

在测量井内安装流量计的方式:1.入口 2.溢流管 3. 清洗孔 4.入口栅 5. 短管 6.流量计 7.出口 8.排放阀


