产品目录
大香蕉啪啪啪
液体流量计
香蕉视频APP下载网站
油流量计
香蕉视频三级
椭圆齿轮流量计
电磁流量计
涡街流量计
蒸汽流量计
孔板流量计
旋进旋涡流量计
转子流量计
浮子流量计
靶式流量计
气体流量计
磁翻板液位计
浮子液位计
浮球液位计
玻璃管液位计
雷达液位计
超声波液位计
投入式液位计
压力变送器
差压变送器
液位变送器
温度变送器
热电偶
热电阻
双金属温度计
推荐产品
联系91香蕉在线视频
- 金湖91香蕉在线视频仪表有限公司
- 联系电话:15195518515
- 在线客服:1464856260
- 电话:0517-86801009
- 传真号码:0517-86801007
- 邮箱:1464856260@qq.com
- 网址:http://www.lafattehome.com
- 地址:江苏省金湖县理士大道61号
螺纹式热电偶
- 品*:JKM/91香蕉在线视频仪表
- 型号:JKM-WR
- 测量范围:0~1800℃
- 精度等级:±1.5℃或±0.25%t
- 公称通径:φ3~φ8
- 适用介质:液体 蒸汽 气体 固体
- 工作压力:螺纹/法兰/固定
- 工作温度:0~1800℃
- 供电方式:24VDC
- 订货号:HQHRLNGHR761
螺纹式热电偶产品概述
铠装热电偶具有能弯曲、耐高压、热响应时间快和坚固耐用等许多优点,它和工业用装配式热电偶一样,作为测量温度的传感器,通常和显示仪表、记录仪表和电子调节器配套使用,同时,亦可以作为装配式热电偶的感温元件。它可以直接测量各种生产过程中从0℃~800℃范围内的液体、蒸汽和气体介质以及固体表面的温度。(亦可提供外保护管材质Cr25Ni20、GH3030、GH3039、3YC-52,测温范围*高可达0-1200℃)

螺纹式热电偶主要技术指标
1.测量范围和准确度

注:(1)t为被测温度的绝对值。
(2)T型分度号产品需与本公司方协商订货。
2.热响应时间
在温度出现阶跃变化时,热电偶的输出变化至相当于该阶跃变化的50%所需要的时间称为热响应时间,用τ0.5表示。
铠装热电偶热响应时间不大于下表的规定:

3.绝缘电阻
当周围空气温度为20±15℃,相对湿度不大于80%时,绝缘型铠装热电偶的偶丝与外套管之间的绝缘电阻应符合下表的规定。

4.铠装热电偶外径和名义长度标准规格

注:①直径φ3mm绝缘式铠装热电偶名义总长L不得大于10000mm。
②铠装热电偶直径d≤φ5mm,并装有防溅式或防水式接线盒的产品,热电偶露出设备部分。用户在安装时必须加装支架等辅助支撑,增加其刚度,确保紧固,防止接线盒受振动而引起摇摆,损坏热电偶。
③直径φ2mm铠装热电偶须和本公司协商订货。
螺纹式热电偶型号表示

螺纹式热电偶工作原理
铠装热电偶的工作原理是由两种不同成份的导体两端经焊接、形成回路,直接测温端叫测量端,接线端子端叫参比端。当测量端和参比端存在温差时,就会在回路中产生热电势,接上显示仪表,仪表上就指示出热电偶所产生的热电动势的对应温度值。
铠装热电偶的热电动势将随着测量端温度升高而增长,热电动势的大小只和热电偶导体材质以及两端温差有关,和热电*的长度、直径无关。
铠装热电偶的结构是由导体、绝缘氧化镁和1Cr18Ni9Ti不锈钢保护管多次拉制而成。铠装热电偶产品主要由接线盒、接线端子和铠装热电偶组成基本结构,并配以各种固定装置组成。
螺纹式热电偶结构
1.铠装热电偶材料结构形式

2.测量端(热端)结构形式

3.安装固定形式
固定装置是供用户安装使用。除了无固定装置产品外,铠装热电偶固定装置有:固定卡套式、可动卡套式、固定卡套法兰式、可动卡套法兰式四种结构形式。固定卡套式供用户一次性固定;可动卡套式用户可多次固定。
卡套螺纹接头

注:括号内的数字规格一般不予采用,如需要作特殊规格订货。
卡套法兰盘

注:括号内的数字规格一般不予采用,仅用于特殊订货。
为了适应不同行业对固定法兰盘焊接结构、尺寸不同的需求,本公司决定增加三种不同焊接方式不同形式密封的固定法兰安装盘,具体请参照装配式热电偶附表中d=1~8和表三中的型号。
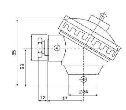
4.铠装热电偶自由端(接线盒)形式
接线盒供连接热电偶的自由端和显示仪表之用,目前有简易式、防溅式、防水式、手柄式、小接线盒式、接插式、补偿导线式多种结构形式。
简易式

防水式

手柄式

小接线盒式

螺纹式热电偶安装方式


