产品目录
大香蕉啪啪啪
液体流量计
香蕉视频APP下载网站
油流量计
香蕉视频三级
椭圆齿轮流量计
电磁流量计
涡街流量计
蒸汽流量计
孔板流量计
旋进旋涡流量计
转子流量计
浮子流量计
靶式流量计
气体流量计
磁翻板液位计
浮子液位计
浮球液位计
玻璃管液位计
雷达液位计
超声波液位计
投入式液位计
压力变送器
差压变送器
液位变送器
温度变送器
热电偶
热电阻
双金属温度计
推荐产品
联系91香蕉在线视频
- 金湖91香蕉在线视频仪表有限公司
- 联系电话:15195518515
- 在线客服:1464856260
- 电话:0517-86801009
- 传真号码:0517-86801007
- 邮箱:1464856260@qq.com
- 网址:http://www.lafattehome.com
- 地址:江苏省金湖县理士大道61号
一体式液位变送器
- 品*:JKM/91香蕉在线视频仪表
- 型号:JKM-JY
- 测量范围:0-100m
- 精度等级:0.25%F.S、0.5%
- 公称通径:DN10-DN100
- 适用介质:水,溶剂
- 工作压力:常压
- 工作温度:-20℃~70℃
- 供电方式:24VDC
- 订货号:LAD986493CKP
一体式液位变送器用途
广泛用于石油、海洋、水库、河流、化工、冶金、电力、科研等企事业单位。

一体式液位变送器特点
1.使用被测介质广泛,可测油、水及与316不锈钢兼容的糊状物,具有一定的防腐能力。
2.直接投入式结构,安装、使用方便,可适应很小的安装空间。
3.准确度高,稳定性好。除进口原装器已用激光修正外,还对整机在使用温度范围内的综合性温度漂移、非线性进行精细地补偿,因此在使用温度范围内非线性小,温度稳定性好。
4.体积小,重量轻,一般无需安装支架。无可动部件,零点、量程外部连续可调。
5.4~20mA DC标准电流信号输出,二线制工作。
6.压力传感器直接感测被测液位压力,不受介质起泡、沉积的影响。

一体式液位变送器技术指标
适用介质:与316不锈钢兼容的液体及半糊状物。
量程:0~1~210M
准确度:0.25%F·S 0.5%F·S
过载能力:额定量程的3倍
零点温度系数:小于0.02%/℃
满程温度系数:小于0.02%/℃
电源电压:24V DC
使用温度:-20℃~70℃
保存温度:-40℃~100℃
输出信号:两线制4~20mA DC
结构材料:隔离膜片:316不锈钢波纹膜片;传感器外壳:1Grl8Ni9Ti不锈钢
电缆:φ8聚氯乙烯六芯空心电缆
中继箱:97×84×147环氧树脂喷涂
过程连接:投入式:直角支架孔距50×50mm,孔径φ5mm;直杆式:无螺纹或螺纹自选。螺纹式:M27×2、M20×1.5或螺纹自选;法兰式:DN25或用户自选。防腐式:直角支架孔距50×50mm,孔距φ5mm。

一体式液位变送器工作原理
当被测介质(液体)的压力作用于传感器时,压力传感器将压力信号转换成电信号。经归一化差分放大和输出放大器放大,*后经V/A电压电流转换器转换成与被测介质(液体)的液位压力成线性对应关系的4~20mA标准电流输出信号。

一体式液位变送器选型表

一体式液位变送器安装与接线
1.安装
(1)一般要求:当测量一般介质时(如:水、轻质油),应使用节流型。当测量粘稠、易阻塞、易结晶介质时,应选用防阻塞型。
①变送器所配电缆长度,除用户特殊说明外,一般比测量范围长2m。
②变送器直接投入到容器中,即可正常工作。



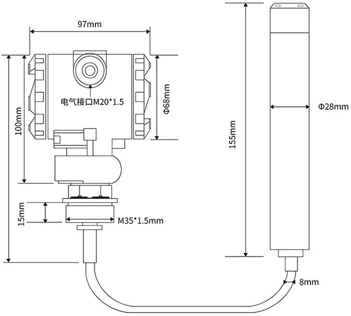
(2)外形尺寸

2.接线方式

变送器的端子位于中继箱内,电缆线从中继箱的引线口接入。中间两端子为24V DC输入端,两边的两端子为显示表头接线端子。
零点和量程调正:零点和量程调正电位器位于中继箱内。校正时打开中继箱盖,即可进行调正,左边的(Z)是调零点电位器,右边的(R)是调量程电位器。
一体式液位变送器安装使用注意事项
1.搬运和安装变送器时应小心谨慎,避免元器件的移动和损坏,影响电路的性能。
2.变送器的本安导线不得与高压电缆线一起敷设,导线长度应尽量缩短,导线的分布电感、分布电容及变送器的有效电感、有效电容之和,不得超过安全栅规定的额定值。
3.变送器设有接地螺钉,接地导线必须牢固,且接地电阻不大于2Ω。
4.维修时应切断本安电路的电源,在非危险区进行检修。
5.维修人员不得随意更换电气元件的规格、型号,有质量问题应立即与厂家联系。
6.检定周期,一般不超过三个月。用户可根据实际需要自定检定周期。

