产品目录
大香蕉啪啪啪
液体流量计
香蕉视频APP下载网站
油流量计
香蕉视频三级
椭圆齿轮流量计
电磁流量计
涡街流量计
蒸汽流量计
孔板流量计
旋进旋涡流量计
热式气体质量流量计
转子流量计
浮子流量计
靶式流量计
气体流量计
超声波流量计
磁翻板液位计
浮子液位计
浮球液位计
玻璃管液位计
雷达液位计
超声波液位计
投入式液位计
压力变送器
差压变送器
液位变送器
温度变送器
热电偶
热电阻
双金属温度计
推荐产品
联系91香蕉在线视频
- 金湖91香蕉在线视频仪表有限公司
- 联系电话:15195518515
- 在线客服:1464856260
- 电话:0517-86801009
- 传真号码:0517-86801007
- 邮箱:1464856260@qq.com
- 网址:http://www.lafattehome.com
- 地址:江苏省金湖县理士大道61号
香蕉视频三级选型指南与外形尺寸
发布时间:2021-03-10 06:35:59 点击次数:5673次
技术性能及选型指南
1、执行标准
产品执行 GB/T 18940-2003《封闭管道中气体流量的测量涡轮流量计》
2、精确度等级
在规定的流量范围内和工作条件下流量计的精确度等级为 1.0级和 1.5级
3、流量计参数

4、标准状态条件
P=101.325KPa,T=293.15K
5、使用环境条件
环境温度:-30℃~+65℃
相对湿度:5%~95%
介质温度:-20℃~+80℃
大气压力:86KPa~106KPa
6、工作电源及信号输出
6.1工作电源
A.外电源:+24VDC±15%,纹波<5%,适用于 4~20mA输出、脉冲输出、报警输出、RS-485等;
B.内电源:1组 3.6V锂电池(ER26500),当电压低于 3.0V时,出现欠压指示。
6.2整机功耗
A.外电源:<2W;
B.内电源:平均功耗 1mW,可连续使用两年以上。
6.3脉冲输出方式
工况脉冲信号,直接将流量传感器检测的工况脉冲信号经光耦隔离放大输出,高电平≥20V,低电平≤1V;
定标脉冲信号,与 IC卡阀门控制器配套,高电平幅度≥ 2.8V,低电平幅度≤ 0.2V,单位脉冲代表体积量可设定范围:0.001m3~100m3。单选择该值时必须注意:定标脉冲信号频率应≤1000Hz。
定标脉冲信号,经光耦隔离放大输出,高电平≥20V,低电平≤1V。
6.4 RS-485通信(光电隔离),可实现以下功能:
A.采用 RS-485接口,可直接与上位机或二次表联网,远传显示介质的温度、压力和经温度、压力补偿后的标准体积流量和标准体积总量;
B.由 RS-485接口与 HW-Ⅰ数据采集器配套,可组成电话网络通信系统,一台数据采集器可带 15台流量计;
C.由 RS-485接口与 HW-Ⅱ数据采集器配套,可组成宽带网络通信系统,由 INTERNET传输数据,一台数据采集器可带 8台流量计。
6.5 4~20mA标准电流信号(光电隔离)
与标准体积流量成正比,4mA对应 0 m3/h, 20 mA对应*大标准体积流量(该值可在一级菜单中进行设置),制式:两线制或三线制,流量计可根据所插电流模块自动识别,并正确输出。
6.6控制信号输出
A.下限报警信号(LP):光电隔离,高低电平报警,报警电平可设定,工作电压+12V~+24V,*大负载电流50mA;
B.上限报警信号(UP):光电隔离,高低电平报警,报警电平可设定,工作电压+12V~+24V,*大负载电流50mA;
C.关阀报警输出(BC端,IC卡控制器用):逻辑门电路输出,正常输出低电平,幅度≤0.2V;报警输出高电平,幅度≥2.8V,负载电阻≥100kΩ;
D.电池欠压报警输出(BL端,IC卡控制器用):逻辑门电路输出,正常输出低电平,幅度≤0.2V;报警输出高电平,幅度≥2.8V,负载电阻≥100kΩ;
7、现场显示功能
A.积算仪显示面板上实时显示工况(或标况)下的温度、压力、瞬时流量、累计流量;
B.报警功能:流量上下限、温度上下限、压力上下限报警,报警方式:字符闪烁。
8、防爆型式与等级
隔爆型:其防爆标志为 ExdIIBT4、ExdIICT4-T6(不含乙炔);
本安型:其防爆标志为 ExiaIICT4
9、防护等级
IP65
10、电器接口
内螺纹 M20*1.5
11、选型指南
11.1用户在选型时,应根据管道公称压力、介质*高压力、介质温度、介质组分情况、流量范围及信号输出要求合理选择流量计的型号规格。
11.2为使流量计的使用性能*佳,流量计的使用流量范围应在(20%~80%)Qmax范围内比较合适。
11.3流量计出厂时的信号输出方式:工况脉冲信号输出(三线制)、标准流量信号(IC卡)输出或 RS-485通讯输出。若要求有其它输出功能,请在订货时说明。
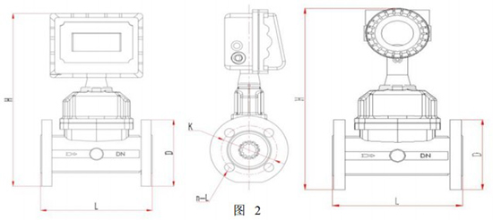
仪表外形尺寸
4.1 流量计外形尺寸及安装
流量计的外形尺寸见图2,图中未注尺寸列于表2中,流量计采用法兰连接方式。法兰尺寸执行GB/T9112~9113-2000标准。


注:图 1所示为温压补偿型仪表外型。
所有型号仪表传感器部分以及整机高度尺寸一致,该尺寸仅供参考,具体参考实物,技术升级导致尺寸变更暂不另行通知。
上一篇:没有了!下一篇:香蕉视频三级的产品特点和适用范围
相关资讯
- 香蕉视频三级安装直管段要求
- 香蕉视频三级的结构与工作原理
- 香蕉视频三级的产品特点和适用范围
- 香蕉视频三级选型指南与外形尺寸
- 香蕉视频三级使用环境
- 香蕉视频三级使用注意事项
- 香蕉视频三级怎么清洗
- 香蕉视频三级适用范围
- 香蕉视频三级为什么要加油
- 香蕉视频三级波动大解决办法
- 香蕉视频三级安装距离要求
- 香蕉视频三级安装注意事项
- 香蕉视频三级应用范围
- 香蕉视频三级常见故障有哪些
- 提高香蕉视频三级精度的方法
- 香蕉视频三级精度等级
- 香蕉视频三级的技术参数
- 香蕉视频三级不准原因
- 香蕉视频三级的优缺点
- 香蕉视频三级的用途
- 香蕉视频三级接线图
- 香蕉视频三级种类
- 用香蕉视频三级测量天然气流量
- 香蕉视频三级的优点
- 香蕉视频三级使用方法
- 香蕉视频三级的选型表
- 香蕉视频三级结构图
- 影响香蕉视频三级测量精度的因素及措施
- 香蕉视频三级维护保养
- 香蕉视频三级特点

