91香蕉在线视频,大香蕉啪啪啪,香蕉视频三级,香蕉视频APP下载网站

    欢迎光临金湖91香蕉在线视频仪表有限公司!本公司主营:涡轮流量计,电磁流量计,涡街流量计,孔板流量计,金属管浮子流量计,磁翻板液位计等仪器仪表,联系热线:15195518515

    金湖91香蕉在线视频仪表有限公司LOGO

    金湖91香蕉在线视频仪表有限公司

    品质保证,服务周到,仪器仪表供应商

    --24小时服务热线--15195518515
    当前位置:*页>>新闻资讯>>香蕉视频三级的安装要求

    香蕉视频三级的安装要求

    发布时间:2021-03-20 14:06:17  点击次数:2490次
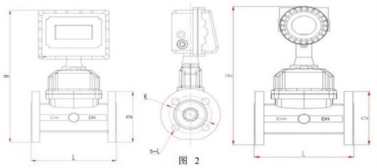
    香蕉视频三级仪表外形尺寸及安装
    4.1 流量计外形尺寸及安装
    香蕉视频三级的外形尺寸见图2,图中未注尺寸列于表2中,流量计采用法兰连接方式。法兰尺寸执行GB/T9112~9113-2000标准。
    注:图 1所示为温压补偿型仪表外型。
    所有型号仪表传感器部分以及整机高度尺寸一致,该尺寸仅供参考,具体参考实物,技术升级导致尺寸变更暂不另行通知。
     
    4.2 流量计安装
    1.对于新安装或检修后的管道务必进行吹扫,去除管道中的杂物后方能安装流量计。在进行所有流体静压实验和清扫管路操作期间,应拆下仪表,以免测量部件的严重损坏。
    2.安装前,用微小气流吹动涡轮时,涡轮能转动灵活,并没有无规则的噪音,计数器转动正常,无间断卡滞现象,则流量计可安装使用。
    3.流量计安装时法兰和管道法兰中间要加密封垫圈。
    4.流量计上游处(≧2DN)必须安装相应规格的过滤器,气质较脏的场合应加装油过滤器,用户订货前,可同时向我公司订货,严禁过滤器和流量计直接相连。
    5.流量计在安装时前后均应加截至阀门。
    6.法兰盘连接处管道内经处不应该有突起相连接。
    7.流量计安装时,严禁在其进出口法兰处直接进行电焊,以免烧坏流量计内部零件。
    8.流量计应安装在便于维修、无强电磁场干扰、无机械振动以及热辐射影响的场所;
    9.流量计不宜用在流量频繁中断和有强烈脉动流或压力脉动的场合;
    10流量计室外安装时,上部应有遮盖物,以防雨水浸入和烈日曝晒影响流量计使用寿命;
    11.流量计可水平或垂直安装,流体流动方向应与壳体上标识的方向一致,在流量计的上、下游应保证有 2DN和 1DN的直管段长度。
    12.为了不影响流体正常输送,建议按图 3安装旁通管道,在正常使用时必须关闭旁通管道阀门。
    13.在管道施工时,应考虑安装伸缩管或波纹管,以免对流量计造成严重的拉伸或断裂;
    14.应确保管道与流量计入口和出口的连接同轴,并防止垫圈和焊缝突入管道内,否则会扰乱流动剖面;
    15.采用外电源时,流量计必须有可靠接地,但不得与强电系统共用地线;在管道安装或检修时,不得把电焊系统的地线与流量计搭接;
    16.管道安装完毕进行密封性试压时,应注意流量计压力传感器所能承受的*高压力(即检定**上介质*大压力),以免损坏压力传感器。
    17.流量计投入运行时,应缓慢开启阀门(开启时间不少于 15s),逐步增加流速,以免瞬间气流冲击而损坏涡轮。
     
    4.2.2 防爆场所安装要求
    1.流量计应有可靠的接地,防爆接地不应与强电系统的保护接地共用。
    2.现场测试电源时,不允许使用交流电源接地。
    3.在任何情况下,用户不得自行更改防爆电路、元器件和防爆型式。
    4.必须先切断外接电源再打开转换器盖子。
    网站地图