产品目录
大香蕉啪啪啪
液体流量计
香蕉视频APP下载网站
油流量计
香蕉视频三级
椭圆齿轮流量计
电磁流量计
涡街流量计
蒸汽流量计
孔板流量计
旋进旋涡流量计
热式气体质量流量计
转子流量计
浮子流量计
靶式流量计
气体流量计
超声波流量计
磁翻板液位计
浮子液位计
浮球液位计
玻璃管液位计
雷达液位计
超声波液位计
投入式液位计
压力变送器
差压变送器
液位变送器
温度变送器
热电偶
热电阻
双金属温度计
推荐产品
联系91香蕉在线视频
- 金湖91香蕉在线视频仪表有限公司
- 联系电话:15195518515
- 在线客服:1464856260
- 电话:0517-86801009
- 传真号码:0517-86801007
- 邮箱:1464856260@qq.com
- 网址:http://www.lafattehome.com
- 地址:江苏省金湖县理士大道61号
旋进旋涡流量计直管段要求
旋进旋涡流量计适用于石油、化工、航空航天、科研部门、化工产业等领域中的气体测量,可用于天然气、煤气、丙烷、空气、氨气等气体的测量和计量,用于用户之间的贸易计量以及工业生产之间的过程控制。
1)旋进旋涡流量计的安装
●流量计安装时,严禁在其进出口法兰处直接进行电焊,以免烧坏流量计内部零件;
●对于新安装或检修后的管道务必进行清扫,去除管道中的杂物后方能安装流量计;
●流量计应安装在便于维修,无强电磁场干扰,无强烈机械振动以及热辐射影响的场所;
●流量计不宜用在流量频繁中断和有强烈脉动流或压力脉动的场合;
●流量计室外安装时,上部应有 遮盖物,以防雨水浸入和烈日曝晒影响流量计使用寿命;
●流量计可任意角度安装,流体的流向应与流量计.上标识的流向-致;
●在管道施工中,应考虑安装伸缩管或波纹管,以免对流量计造成严重的拉伸或断裂;
●流量计应与管道同轴安装,并防止密封片和黄油进入管道内腔;
●采用外电源时,流量计必须有可靠接地,不得与强电系统共用地线,在管道安装或检修时,不得把电焊系统的地线与流量计搭接;
●为了不影响流体正常输送和便于维护,要求按图所示安装旁通管道,并保证前≥3DN,后≥1DN的直管段。

2)直管段要求
根据旋进旋涡流量计的工作原理和流量计对上、下游直管段要求,对各种上游阻力件,建议采用如下所列的前后直管段长度,且保持直管段内壁光滑平直。
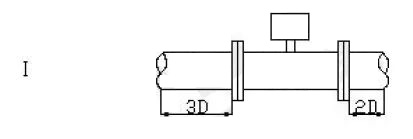
保证其上游侧的直管段长度至少カ3D,其下游侧的直管段长度至少カ2D。示意图见l。(D:旋进旋涡流量计的公称通径)

対于弯管,要保证其上游侧的直管段长度至少为3D,其下游侧的直管段长度至少为2D。示意图见ll。

缩管:
対于缩管,要保证其上游侧的直管段长度至少为3D,其下游侧的直管段长度至少为2D.示意图见W。

抗管:
対于折管,要保证其上游侧的直管段长度至少为3D,其下游侧的直管段长度至少为2D.示意图见Ⅳ。

阀门:
如果上游侧有阀门,那么要保证其上游侧的直管段长度至少为5D,其下游侧的直管段长度至少为2D.示意图见V。

旋进旋涡流量计安装注意事项
1.传感器按流向标志可在垂直、水平或任意倾斜位置上安装;
2.当管线较长或距离振动源较近时,应在流量计的上、下游安装支撑,以消除管线振动的影响;
3.传感器的安装地点应有足够的空间,以便于流量计的检查和维修,并应满足流量计的环境要求;
4.应避免外界强磁场的干扰;
5.在室外安装使用时,应有遮盖物,避免烈日曝晒与雨水浸蚀,影响仪表使用寿命;
6.管线试压时,应注意智能型流量计所配置压力传感器的压力测量范围,以免过压损坏压力传感器;
7.应注意安装应力的影响,安装流量计上游和下游管道应同轴,否则会产生剪切应力。安装流量计的位置应考虑密封垫片的厚度,或在下游安装-个弹性伸缩节;
8.安装流量计之前应先清除管道中的焊渣等杂物;
9.投入运行时,应缓慢开启流量计上、下游阀门,以免瞬间气流过急而冲坏起旋器;
10.当流量计需要有信号远传时,应严格按“工作电源”要求接入外电源(8~ 24) VDC,严禁在信号输出口直接接入220VAC或380VAC电源;
11.用户不得自行更改防爆系统的接线方式和任意拧动各个输出引线接头;
12.流量计运行时,不允许随意打开后盖改动仪表参数,否则影响流量计的正常工作;
13.定时检查流量计法兰处的泄漏情况。

